Разделы сайта

Анализ методом «Максимума-минимума»

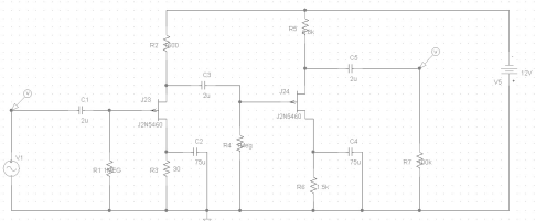
Рис. 1 Схема усилителя

Данный метод заключается в том, чтобы оценить пределы варьирования коэффициента усиления Ku, исходя из среднего арифметического значений отклонений Ku при максимальном и минимальном отклонениях номиналов элементов, определяющих Ku. Рассчитаем усилительный каскад на полевом транзисторе.

Номиналы элементов выбираем из ряда Е24.

В данной схеме коэффициент усилителя зависит от средней крутизны проходной характеристики транзисторов VT1, VT2 и VT3 и номиналов резисторов R2 и R5, из чего следует, что коэффициент усиления будет находиться по формуле Кu=Ku1*Ku2.

Рассчитаем коэффициенты усиления первого и второго каскадов при номинальных значениях элементов и при S=3мА/В:

Общий коэффициент усиления:

Ku=Ku1*Ku2=4,8*20,4=97,9

Рассчитаем пределы изменения номиналов резисторов ±20%

R2min = 1280 Ом

R2max = 1920 Ом

R5min = 5120 Ом

R5max = 7680 Ом

Рассчитаем коэффициент усиления для всех возможных случаев:

R2, Ом

R5, Ом

Ku

1280

5120

58,98

1280

7680

88,47

1920

5120

88,47

1920

7680

132,71

MIN

MAX

Kumin = 58,98

Kumax = 132,71

Найдем по максимальному и минимальному коэффициенту пределы отклонения от номинального коэффициента усиления Kuном = 97,9:

Ku = 97,9 ± 36,86

Проанализировав результаты, можно сделать вывод, что выбранные нами резисторы нас устраивают, так как разброс оказался не большим.

Самое читаемое:

Разработка пакета учебно-прикладных программ по дисциплине Проектирование интегральных микросхем
Целью данной дипломной работы является разработка пакета учебно-прикладных программ по дисциплине «Проектирование интегральных микросхем». Данный пакет предназначен для изучения студентами: технологии полупроводниковых интегральных микросхем на биполярных транзисторах; основных принципов проектирования полупро ...

www.techstages.ru : Все права защищены! 2025