Разделы сайта

Органы внешнего управления и индикации.

Панель управления МКС представляет собой устройство, непосредственно взаимодействующее с оператором и имеющее соответствующие органы ручного управления и индикации.

В штатной ПУ органы индикации представляли собой несколько светодиодов, встроенных в корпус и отражавших состояние используемых устройств. Для индикации давления на ГРП было предусмотрено несколько неградуированных вольтметров. В модернизированной ПУ МКС было решено заменить все эти устройства на полноценный ЖК дисплей, предоставляющий пользователю всю необходимую информацию в удобном виде. В качестве такого дисплея был выбран MT-20S4M [9] - алфавитно-цифровой ЖК модуль, имеющий 4 строки по 20 символов, каждый символ отображается в ячейке 5х8 точек).

Жидкокристаллический модуль MT-20S4M состоит из встроенного контроллера управления и ЖК панели. Контроллер управления КБ1013ВГ6, производства ОАО "АНГСТРЕМ", аналогичен HD44780 фирмы HITACHI и KS0066 фирмы SAMSUNG.

Возможности MT-20S4M:

модуль имеет программно-переключаемые две страницы встроенного знакогенератора (алфавиты: русский, украинский, белорусский, казахский и английский);

прием команд с шины данных;

запись данных в ОЗУ с шины данных;

чтение данных из ОЗУ на шину данных;

чтение статуса состояния на шину данных;

хранение в памяти до 8-ми изображений символов, задаваемых пользователем;

вывод мигающего или постоянного курсора двух типов;

управление контрастностью и подсветкой.

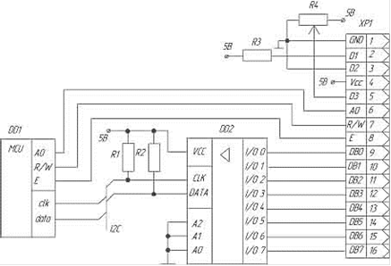
Для подключения модуля было необходимо дополнительно освободить 8 выводов контроллера (параллельная 8-битная передача данных), вместо чего была использована микросхема экспандера PCF8574. Посредством двухлинейной двунаправленной шины (I2C) она обеспечивает необходимое расширение порта ввода - вывода общего назначения в МК. Три служебные линии (E,A,R/W) подключены непосредственно к МК. Схема подключения модуля показана на рисунке 2.7

Рисунок 2.7 - схема подключения ЖК модуля.

DD2 - экспандер PCF8574, XP1 - IDC-16MS, вилка прямая.

Резисторы подключены и выбраны согласно документации на модуль и экспандер. Адресные биты экспандера А0-А2 выведены на общий провод, используемый адрес устройства - 000.

За ручное управление ПУ отвечает специально разработанный модуль клавиатуры, размещенный на отдельной плате. Основной его частью является сдвиговый регистр с параллельной загрузкой SN74HC165, ориентированный на последовательный ввод данных, передаваемых на МК через разъем. Схема устройства для 8 клавиш представлена на рисунке 2.8

Рисунок 2.8 - модуль клавиатуры

При нажатии любой клавиши на ПУ замыкается соответствующий ключ (К1…К8). Стягивающие резисторы гарантируют отсутствие напряжения в разомкнутой цепи.

Номинал таких резисторов рекомендуется брать от 10кОм и выше. Диоды (VD1…VD8) образуют 8-ми входовой логический элемент ИЛИ, который срабатывает даже при изменении состояния одного управляемого устройства, подавая сигнал "M" на МК. По этому сигналу контроллер начинает считывать 8-битную последовательность со сдвигового регистра DD1, подавая тактовые импульсы на вход clk.

При необходимости количество клавиш может быть легко увеличено без задействования дополнительных портов ввода-вывода МК.

Самое читаемое:

Опыт и проблемы лицензирования телекоммуникационных услуг на материалах центра продаж и обслуживания клиентов Ростелеком
Российский рынок телекоммуникационных услуг замедляется в своем росте, однако в 2010 г. темпы были все еще довольно высоки - около 20%. Рынок услуг сотовой связи технологически неразрывно связан с использованием ограниченного национального ресурса - радиочастотного спектра страны. Данное обстоятельство обусловливает не ...

www.techstages.ru : Все права защищены! 2026