Разделы сайта

Транзисторный автогенератор, работающий на гармонике кварца

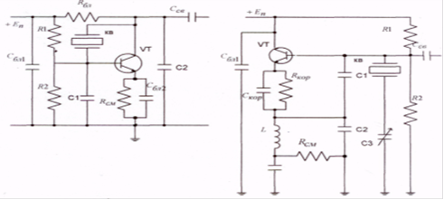
Чтобы автогенератор устойчиво возбуждался на механической гармонике кварцевого резонатора, необходимо принять меры, препятствующие генерации на основной частоте кварца. С этой целью можно применить схему автогенератора, изображенную на рисунке 16.

Индуктивность L выбирают таким образом, чтобы на частоте генерации схема представляла собой емкостную трехточку, а на более низких гармониках не выполнялось одно из условий существования устойчивых автоколебаний, например баланс фаз. Картриджи для лазерного принтера доказано как выбрать картридж для лазерного.

Для этого резонансная частота контура LC2 должна удовлетворять соотношениям .

а) б)

Для возбуждения колебаний на частоте эквивалентная емкость контура LC2 на настраивается на эту частоту.

Простейшая электрическая схема кварцевого автогенератора на биполярном транзисторе (рисунок 16,а) соответствует упрощенной схеме (рисунок 15,а). Колебательная система здесь образована кварцевой пластиной, играющей роль индуктивности и конденсаторами C1, C2. Резисторы R1, R2 образуют делитель напряжения для подачи постоянного смещения на базу, Rсм - резистор автосмещения, конденсатор Сбл2 - блокировочный. Источник питания En блокируется от токов высокой частоты емкостью Сбл1 и сопротивления Rбл. Конденсатор Ссв обеспечивает оптимальную связь с нагрузкой. Поскольку в рассматриваемой схеме нет корректирующей цепочки, для исключения влияния инерционности транзистора на стабильность частоты следует выбирать транзистор, у которого , где - частота генерации.

На рисунке 16,б изображена схема транзисторного автогенератора, предназначенного для возбуждения

колебаний на механической гармонике кварца, соответствующая рисунку 15,б. Точная настройка на требуемую частоту осуществляется с помощью подстроечного конденсатора СЗ. Для упрощения конструкции, при использовании подстроечного конденсатора с заземленным корпусом, коллектор транзистора по высокой частоте имеет нулевой потенциал относительно земли. При этом исключается необходимость применения блокировочного сопротивления или индуктивности в цепи питания.

Колебательная система, образованная кварцем, емкости CI-C3 и индуктивностью L, препятствует возбуждению колебаний на более низких механических гармониках кварца. Цепочка Rкор, Скор - корректирующая.

Рассмотренные схемы кварцевых автогенераторов на транзисторах являются типичными и позволяют получить высокую стабильность частоты.

Самое читаемое:

Изготовление цифрового прибора для контроля осанки и зрения при работе на персональном компьютере
Современную жизнь невозможно представить без электроники и ее важнейшей отрасли - микроэлектроники. В любом месте - на работе и в быту - изделия из электроники окружают человека. Она трудится повсюду - в сверхглубоких скважинах и в подводных аппаратах - батискафах, в самолетах и космических кораблях, на атомных электростанциях и рад ...

www.techstages.ru : Все права защищены! 2025