Разделы сайта

Проектирование JK-, T- триггеров и 4-х разрядного счётчика

Лабораторная работа предполагает изучение работы схем триггеров, используемых в счетных устройствах (счетчиках). Счетчик подсчитывает число импульсов, поступающих на его вход за некоторое время, формирует и запоминает код этого числа. Схемотехническая реализация счетчика зависит от решаемых функций: Банкеты в москве заказать банкет в ресторане sohocountry.com.

- увеличивается или уменьшается код с поступлением счетных импульсов (счетчики на сложение и счетчики на вычитание),

- в каком коде отображается результат счета (двоичные, двоично-десятичные и т.д.),

- какие триггеры используются для реализации, и каким образом реализованы связи между отдельными триггерами счетчика (счетчики на T- триггерах, JK- триггерах, D- триггерах с последовательным, сквозным или параллельным переносом),

- какие сервисные функции имеет счетчик (синхронные или асинхронные загрузки, сброс, разрешение счета, управление направлением счета и т.д.).

В данной работе изучается схема счетчика на сложение с последовательным переносом, построенная на JK-триггерах.

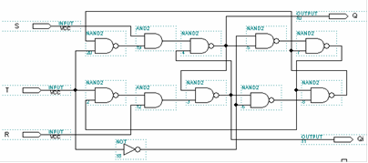
. Исследуем JK- триггер и его работу. Создадим графическую схему JK-триггера в программе max2+:

Входы r и s служат для ручной установки значения триггера. Нам их работа не интересна, хотя для начала работы прибора нужно на вход r подать значение 0. Рассмотрим комбинации входов J и K , которые влияют на работу триггера:

J = 0 K = 0 - сигнал сохраняется и не меняется.

J =1 K = 1 - сигнал инвертируется. Инверсия происходит только в том случае, если перед этим он сохранялся, то есть значения J и K были нулями.

J = 1 K = 0 - перевод сигнала в 1.

J = 0 K =1 - перевод сигнала в 0.

Смоделируем работу схемы и получим временные диаграммы, иллюстрирующие вышеописанные процессы:

Составим программу JK-триггера в виде поведенческой модели на языке vhdl. Заметим, что входы r и s отброшены за ненадобностью. Поведенческая модель исследует только работу триггера в зависимости от входов j и k:

LIBRARY ieee;ieee.std_logic_1164.all;jktr IS

( : IN STD_LOGIC; : IN STD_LOGIC; : OUT STD_LOGIC;: OUT STD_LOGIC

);jktr;behav OF jktr IS q1,f,q2 : STD_LOGIC;(k,j)f: STD_LOGIC;

if (k='0'and j='0') then

f:='1';

elsif (k='1' and j='1') then

if (f='1') then

q1<=not q1; q2<=not q2; f:='0';

end if;

else

if (k='1') then

q1<='1'; q2<='0'; f:='0';

else

q1<='0'; q2<='1'; f:='0';

end if;

end if;PROCESS;

qi <= q1;

q <= q2;behav;

Заметим, что в схеме точно уточняются значения j и k, так как помимо их равенства в 0 и 1 есть другие состояния. Смоделируем работу и получим временную диаграмму:

Схема работает правильно. Исследуем работу T-триггера.

. Создадим графическую схему T-триггера в программе max2+:

Для СЭ нужно, чтобы под действием каждого счётного импульса он переходил в состояние противоположное предыдущему.

Перейти на страницу: 1 2 3

Самое читаемое:

Исследование устойчивости алгоритмов приема к изменению помехи
При реализации процедур обнаружения или различения сигналов результатом обработки должно быть принятие соответствующего решения. Так, в случае обнаружения необходимо принять решение относительно того, присутствует ли в сигнале , поступающем на вход устройства обработки, полезный сигнал или же представляет собой только помеху. При ...

www.techstages.ru : Все права защищены! 2025