Разделы сайта

Пути повышения точности устройств для определения комплексных коэффициентов передачи смесителей

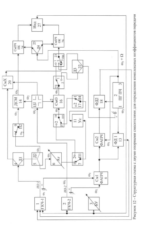
Ранее было показано, что присутствие в составе ИФМ усилителя сужает динамический диапазон измеряемых амплитуд, а при неблагоприятных условиях измерений вносит и существенную погрешность в измерение сдвигов фаз. Наличие большого количества узлов СВЧ в составе ИФМ с собственными KcmU является главным источником погрешности измерений при испытаниях смесителей. С целью снижения погрешности измерений применяется структурная схема, содержащая два опорных смесителя в дополнение к испытуемому смесителю [16]. Структурная схема устройства для определения комплексных коэффициентов передачи смесителей с использованием двух опорных смесителей приведена на рисунке 12.

Устройство содержит: генератор качающейся частоты 1 (ГКЧ-1) и 2 (ГКЧ-2), блок их управления 3 (БУ); первый делитель сигнала 4 (Д1); второй делитель сигнала 5 (Д2); аттенюатор 6 (Ат); переключатель 7 (П1); смеситель ФАПЧ-1, 8 (СМ ФАПЧ-1); переключатели 9 (П1) и 10 (П2); усилитель 11 (УС); смеситель ФАПЧ-2, 12 (СМ ФАПЧ-2); первый фазовый детектор 13 (ФД-1); дополнительный смеситель 14 (ДСм); делитель 15; опорный смеситель 16 (СмО); переключатель 17 (П4); второй фазовый детектор 18 (ФД-2); перестраиваемый генератор опорных промежуточных частот 19 (ПГПЧ); испытуемый смеситель 20 (СмХ); переключатель 21 (П5); делитель 22 (ДЗ); переключатель 23 (П6); смеситель ПЧ измерительного канала 24 (СмПЧик); делитель 25 (Д4); смеситель ПЧ опорного канала 26 (СмПЧок); индикатор 27 (И); направленные ответвители НО-1, НО-2 и НО-3. Устройство работает следующим образом. Работа ГКЧ-1 и ГКЧ-2 с блоком управления 3 аналогична работе в схеме на рисунке 12, т.е. они могут работать в режиме постоянной ПЧ (режим а на рисунке 2) и режиме переменной ПЧ (режим б на рисунке 2). Эти режимы обеспечиваются двумя системами ФАПЧ - ФАПЧ-1 и ФАПЧ-2, приведенных на рисунке 12.

Источником опорных и вспомогательных частот на рисунке 12, как и на рисунке 12, служит перестраиваемый генератор опорных промежуточных частот 19. Вся система с ГКЧ-1 и ГКЧ-2, блоком их управления и двумя системами ФАПЧ вместе с перестраиваемым генератором опорных промежуточных частот образуют источник зондирующих сигналов для испытуемых смесителей.

При каждом новом включении устройства в самом начале производится его калибровка, цель которой состоит в определении действительной АЧХ и ФЧХ дополнительного смесителя 14 (ДСМ). После этого они заносятся в память индикатора и по мере необходимости воспроизводятся на экране его электронно-лучевой трубки (ЭЛТ). Если электрический режим работы и температурный режим дополнительного смесителя не меняется, то режим калибровки может быть исключен.

Устройство, приведенное на рисунке 12, имеет три режима работы. Каждый из этих режимов отличатся структурными схемами, коммутируемыми переключателями П1, П2, ПЗ, П4, П5, П6 и используемыми узлами общей схемы на рисунке 18. Поэтому каждый из этих трех режимов целесообразно представить в виде отдельных структурных схем, приведенных на рисунках 13,14 и 15, на которых работающие в данном режиме узлы заштрихованы. Устройство, приведенное на этих рисунках, имеет следующие режимы работы.

Режим для измерения разности сдвигов фаз опорного 16 и дополнительного 14 смесителей (рисунок 13).

Режим для измерения суммы сдвигов фаз опорного 16 и дополнительного 14 смесителей (рисунок 14).

Режим для измерения комплексных коэффициентов передачи испытуемого смесителя 20 (рисунок 15).

Первый режим для измерения разности сдвигов фаз смесителей, приведенный на рисунке 13, реализуется в положении 1 переключателей 7, 9, 10, 17, 21, 23 в схеме на рисунке 12. В этом режиме делитель 23 и испытуемый смеситель 20 не используются, и определяется разность фаз между дополнительным 14 и опорным 16 смесителями как и в случае, рассмотренном ранее при описании рисунка 12.

В положении 2 переключателей 7, 9, 10, 17, 21, 23 на рисунке 12 реализуется схема для измерения суммы сдвигов фаз опорного 16 и дополнительного 14 смесителей. Эта структурная схема приведена на рисунке 14. На входе дополнительного смесителя имеет место сигнал, описываемый следующим выражением:

, (20)

который после преобразования попадает в индикатор отношений и аналогично уже описанному дает результат в виде:

. (21)

Действительный сдвиг фаз , измеренный в диапазоне частот, образует фазочастотную характеристику дополнительного смесителя, которая может

быть зафиксирована в памяти прибора либо документально любым другим способом.

После проведения режима калибровки включается режим измерения, приведенный на рисунке 15, и производится измерение испытуемого смесителя 20.

Для этого все переключатели, кроме переключателя 23, устанавливаются в положение 1, т.е. реализуется схема измерения разности сдвигов фаз устройством, а шестой переключатель 22 устанавливается в положение 3.

Перейти на страницу: 1 2 3

Самое читаемое:

Разработка передающего устройства системы беспроводного удаленного доступа
Передача информации в пространстве с помощью радиоволн осуществлялась со времени изобретения радио в конце девятнадцатого века. В настоящее время интерес к радиосвязи возрос в связи с тенденцией отказа от проводов. Появился модный термин «беспроводная связь» (wireless), что является синонимом «радиосвязи». Передают обычно речь, м ...

www.techstages.ru : Все права защищены! 2025